Продажа и установка систем видеонаблюдения и контроля доступа
Наличие уточняйте
Арт.: 306021
Цена: по запросу
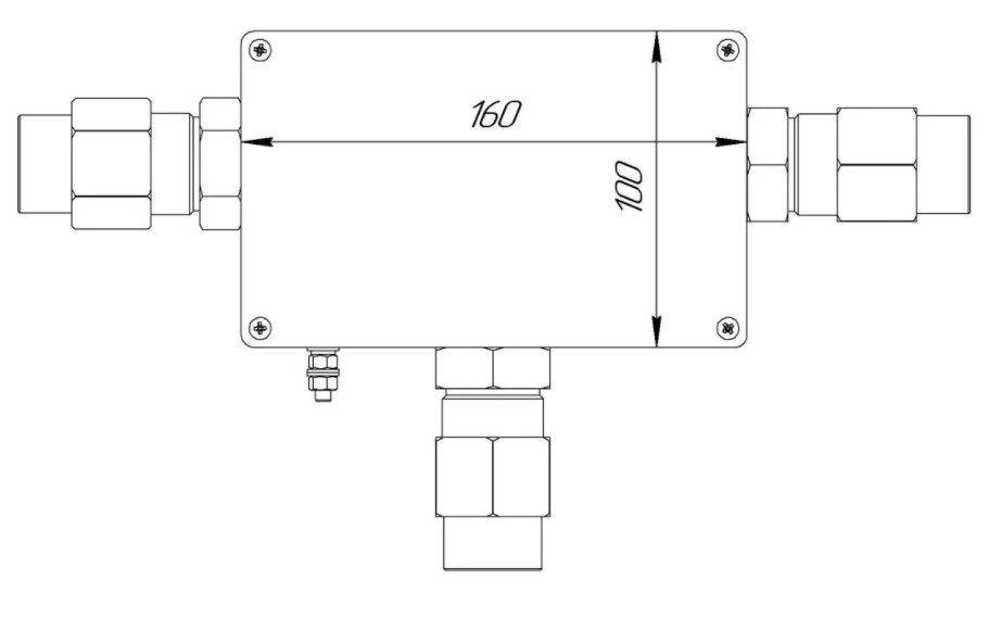
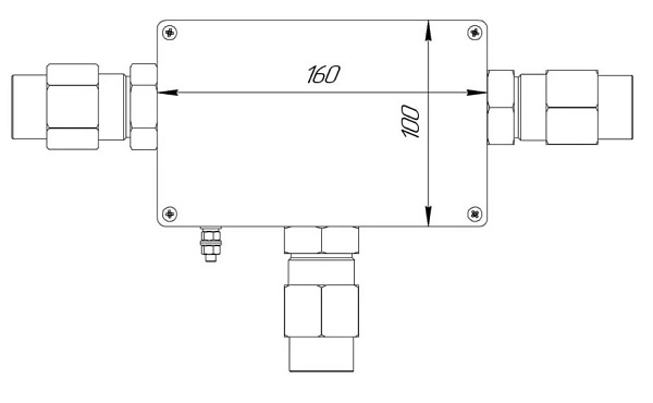
Коробка коммутационная взрывозащищенная для датчиков температуры 1Ex e IIB T5 Gb, клеммник 9х2,5мм, УХЛ1, IP66, t-раб.-60...+85°С, 160х100х80мм. Корпус из алюминиево-кремниевого сплава, 3 кабельных ввода и датчиков температуры КВ М25
Диапазон рабочих температур, °С
-60…+85
Габаритные размеры, мм
160х100х80
Степень защиты
IP66
Материал
Алюминиевый сплав
Маркировка по взрывозащите
1ExeIIBT5Gb
Максимальное сечение присоединяемых проводов, мм²
2.5
Количество кабельных вводов
3
Количество клемм
9

Рекомендуемые товары

Недавно просмотренные