Продажа и установка систем видеонаблюдения и контроля доступа
Наличие уточняйте
Арт.: 269897
626 руб.
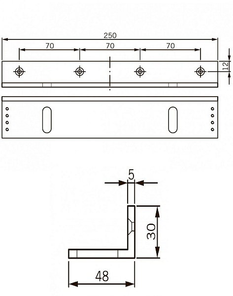
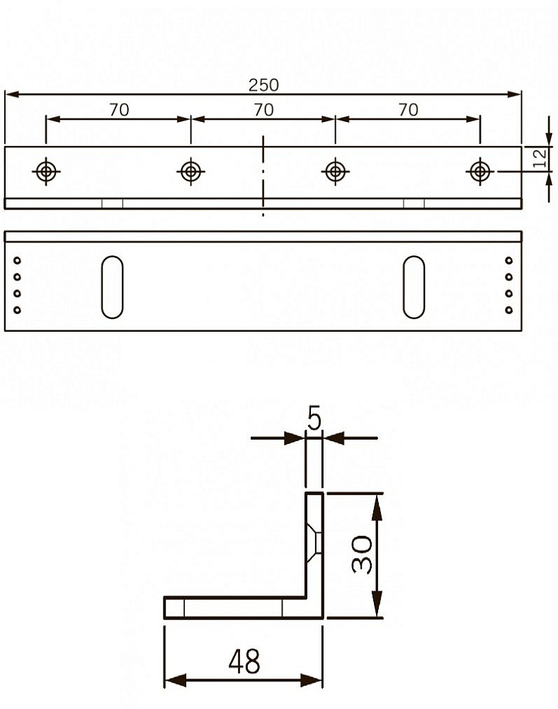
L-кронштейн для EMC 600 ALH и EMC 600-2 ALH
Габаритные размеры, мм
250х48х30

Рекомендуемые товары

Недавно просмотренные