Продажа и установка систем видеонаблюдения и контроля доступа
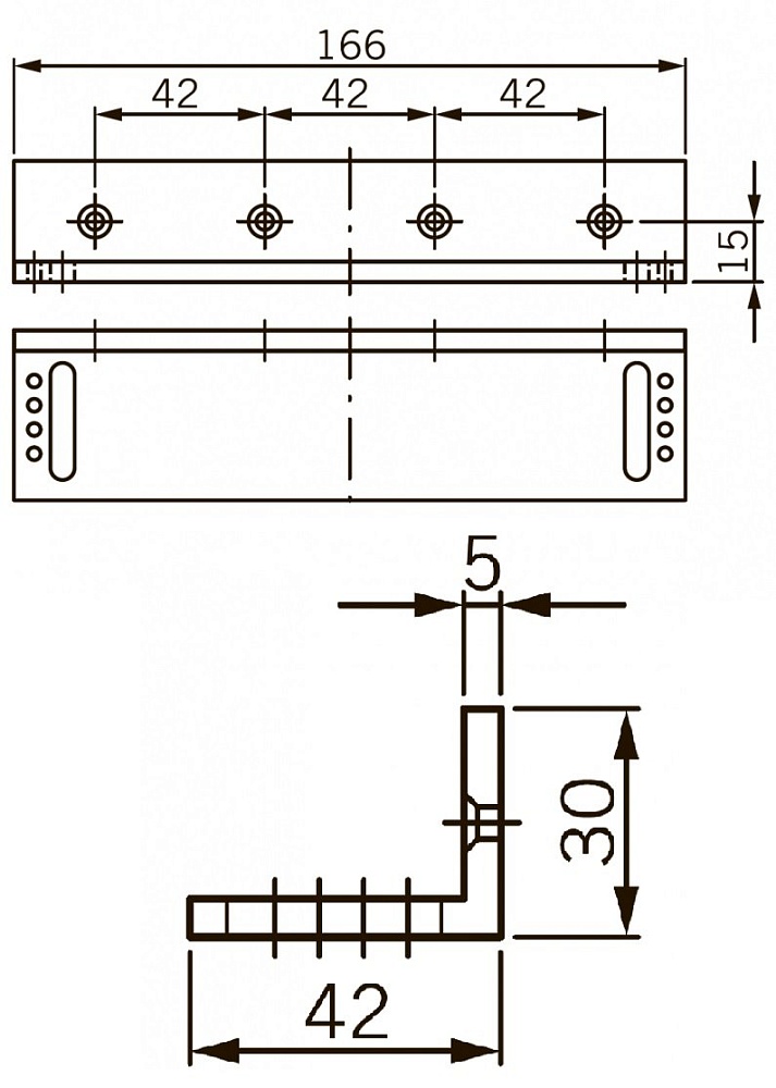
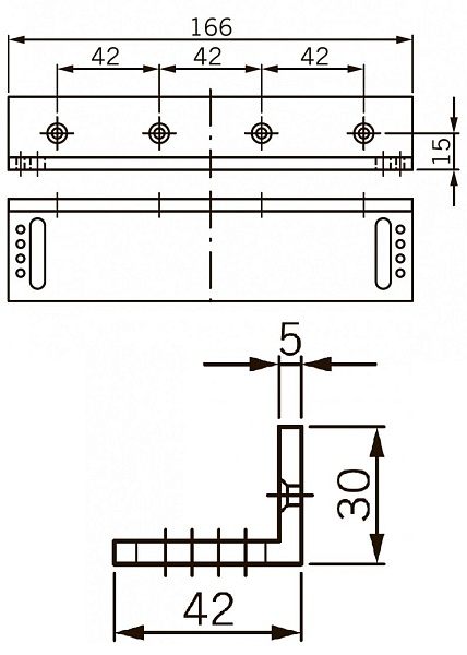
L-кронштейн для EMC 400 AH
Габаритные размеры, мм
166х42х30